परिचय
टी हाइड्राउलिक एडाप्टर एक टी - आकार कय कनेक्टर होय जवन हाइड्रोलिक प्रवाह कय सुचारू रूप से विभाजित करत है, जवन उच्च दबाव मा अच्छी तरह से काम करै कय खातिर मजबूत सामग्री से बनावा जात है। ई कारखाना, खेत, अउर कार सिस्टम मा बहुतै हिस्सा मा फिट होत है, लीक बंद करत है, अउर जगह मा रखै मा आसान है। यहिका बहुत कम देखभाल के जरूरत है, तरल पदार्थ का स्थिर रखत है, अउर मशीनन का हर तरह के नौकरी खातिर लंबे समय तक अच्छा चलावै मा मदद करत है।



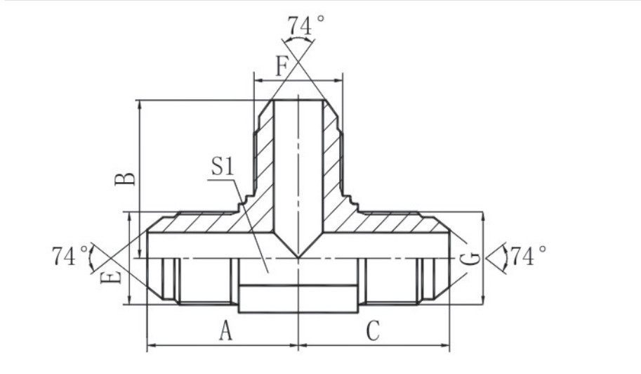
विनिर्देश

|
भाग सं. |
ड्वारा |
आयाम |
|||||
|
E |
F |
G |
A |
B |
C |
S1 |
|
|
ए जे-04 |
7/16*X20 |
7/16*X20 |
7/16*X20 |
24.5 |
24.5 |
24.5 |
11 |
|
एजे-04-06-04 म |
7/16*X20 |
9/16*X18 |
7/16*X20 |
26.6 |
26.9 |
26.6 |
14 |
|
एजे-05 |
1/2*X20 |
1/2*X20 |
1/2*X20 |
26 |
26 |
26 |
14 |
|
एजे-06-04-06 म |
9/16*X18 |
7/16*X20 |
9/16*X18 |
26.9 |
26.6 |
26.9 |
14 |
|
ए जे-06 |
9/16*X18 |
9/16*X18 |
9/16*X18 |
26.9 |
26.9 |
26.9 |
14 |
|
एजे-08-06-08 |
3/4*X16 |
9/16*X18 |
3/4*X16 |
32 |
30 |
32 |
19 |
|
ए जे -10 |
7/8*X14 |
7/8*X14 |
7/8*X14 |
37.8 |
37.8 |
37.8 |
22 |
|
ए जे-12 |
1.1/16*X12 |
1.1/16*X12 |
1.1/16*X12 |
44.2 |
44.2 |
44.2 |
27 |
|
ए जे-16 |
1.5/16*X12 |
1.5/16*X12 |
1.5/16*X12 |
49 |
49 |
49 |
33 |
|
एजे-16-12-16 म |
1.5/16*X12 |
1.1/16*X12 |
1.5/16*X12 |
49 |
48 |
49 |
33 |
|
ए जे-20 |
1.5/8*X12 |
1.5/8*X12 |
1.5/8*X12 |
56.5 |
56.5 |
56.5 |
41 |
|
ए जे-24 |
1.7/8*X12 |
1.7/8*X12 |
1.7/8*X12 |
63 |
63 |
63 |
48 |
|
ए जे-32 |
2.1/2*X12 |
2.1/2*X12 |
2.1/2*X12 |
78 |
78 |
78 |
63 |
पैरामीटर/तकनीकी डाटा
|
मूल |
झेजिआंग, चीन म |
डिलीवरी डेट |
बातचीत; बातचीत होगी |
|
प्रमाणन |
जीबी/टी19001-2016 आईएसओ9001: 2015 म |
पक्ब; पकड़ब |
निर्यात मानक |
|
सामान |
कार्बन स्टील |
वारदी |
1 साल |
|
भुगतान अवधि |
टीटी |
MOQ |
2000 |
|
इसथिति |
नवा |
रंग |
सफेद जस्ता, रंग जस्ता |
कंपनी












ऊ
सुपीरियर क्वालिटी
हमार विशेषज्ञ टीम प्रबंधन अनुभव के साथ तकनीकी कौशल का संयोजन करत है हम पेशेवर प्रमाणन के साथ सख्त गुणवत्ता नियंत्रण बनाए रखत हैं
धनराशि अनुभव
2011 म स्थापित 40+ देशन मा वर्तमान म निर्यात करत रहा जेहिमा: यूएसए, जर्मनी, यूके, ऑस्ट्रेलिया, रूस, ब्राजील, कनाडा, अउर गुणवत्ता सेवा के लिए अंतर्राष्ट्रीय ग्राहकन द्वारा ट्रस्टेड शामिल है
व्यापक उत्पाद रेंज
4 मुख्य उत्पाद श्रेणी:
हाइड्रोलिक फिटिंग
हाइड्रोलिक नौका
हाइड्रोलिक एडाप्टर
नायलॉन ट्यूब फिटिंग
100 से अधिक अलग-अलग उत्पाद उपलब्ध
प्रतिस्पर्धी मूल्य निर्धारण
हम उचित कीमत पर गुणवत्ता वाले उत्पाद प्रदान करत हैं। मजबूत ग्राहक विश्वास बनाओ के माध्यम से:
विश्वसनीय गुणवत्ता
ईमानदारी का व्यापारिक प्रथा
लगातार 10 साल का विकास
ग्राहक- ध्यान केंद्रित कीन जाय।
आपका संतुष्टि हमार शीर्ष प्राथमिकता है।सब जांच के लिए जल्दी प्रतिक्रिया।हर जरूरत के लिए पेशेवर समाधान
रणनीतिक स्थान
हैंगझोउ के पास सुविधाजनक रूप से स्थित है। उत्कृष्ट परिवहन कनेक्शन।तब्जी और कुशल शिपिंग

FAQ
प्रश्न: हमार कंपनी का चुनाव काहे का?
उ: हमार कंपनी 10 - वर्ष हाइड्रोलिक विशेषज्ञ है, विश्वसनीय गुणवत्ता के साथ, 18 - महीने लंबी वारंटी, तेज वितरण, लागत अनुकूलन, और चिंता-मुक्त आफ्टर-सेल
प्रश्न: हम कारखाना या ट्रेडिंग कंपनी है?
उ: हम हाइड्रोलिक जोड़ों का स्रोत कारखाना हैं, 10 साल के लिए उत्पादन और अनुसंधान और विकास पर ध्यान केंद्रित करत
प्रश्न: हमार डिलीवरी का समय कब तक है?
उ: अगर स्टॉक मा होत है तौ आमतौर पै 7-15 दिन लागत है। या माल स्टॉक मा न होय तौ 30-45 दिन लागत है, जउन मात्रा पै निर्भर करत है
प्रश्न: हमार भुगतान के शब्द का हैं?
उ: आदेश पुष्टि के बाद 30% जमा कराएँ, और loding के बिल के प्रति के साथ संतुलन 70%
प्रश्न: हम नमूना प्रदान कर सकत हैं? / का हम मुफ्त नमूना दे सकत हैं?
उ: वर्तमान उत्पादन के लिए, 2 नमूना मुफ्त परीक्षण के लिए प्रदान कीन जा सकत है, अऊर ग्राहक का शिपिंग लागत उठावै के जरूरत है; अनुकूलित उत्पादों के लिए, कृपया हमसे संपर्क करे कि नमूना योजना पर बातचीत करे
प्रश्न: अगर हम उपयोग के दौरान गुणवत्ता वाली समस्याओं का मिले तो हम का करब?
उ: 12- महीने गुणवत्ता आश्वासन अवधि (प्रत्यक के तारीख से गणना किया गया), सभी गैर-मानव क्षति को कवर किया जात है
प्रश्न: हमार एमओक्यू का है?
उ: वर्तमान उत्पादों के लिए, हम एकल -पीस खरीद का समर्थन करत हैं। गैर-{2} ख़िर्ठी उत्पादों के लिए, न्यूनतम क्रम मात्रा उत्पाद विनिर्देश के अनुसार अलग-अलग पुष्टि किया जाएगा
प्रश्न: का हम ड्राइंग के अनुसार उत्पाद का उत्पादन कर सकत हैं?
उ: ड्राइंग के अनुसार पूरी तरह से उत्पादन का समर्थन करत है, लेकिन पूरा तकनीकी आवश्यकता अउर सहिष्णुता मानक के जरूरत है
प्रश्न: हमार बाद -गेसिक सेवा क्या है?
उ: पूर्ण लॉजिस्टिक ट्रैकिंग सेवा, वास्तविक - प्रतिस्थापन स्थिति का अपडेट और हस्ताक्षर के बाद ग्राहक संतुष्टि पर -अप का अनुसरण
प्रश्न: हम अपने उत्पादन के गुणवत्ता का जांच कैसे करत हैं?
उ: हमरे पास पेशेवर परीक्षण उपकरणन का पूरा सेट है, जेहिमा नमक स्प्रे टेस्टर, टेनसाइल मशीन, हार्डनेस टेस्टर, आदि शामिल है, ताकि उत्पाद गुणवत्ता कड़ाई से नियंत्रित कीन जा सके
प्रश्न: हमार कंपनी के ओईएम सेवा है?
उ: बेशक, हमार कंपनी ओईएम सेवा प्रदान करत है। कृपया हमसे विवरण के लिए संपर्क करा।
प्रश्न: हमरे पास कौन तरह का पैकेजिंग है?
उ: वर्तमान म केवल कार्टन पैकेजिंग, लेकिन अगर आपके पास कोई आवश्यकता है, तो हम उनसे पूरा करै के कोशिश कर सकत हैं
प्रश्न: दाम कब मिल सकत है?
उ: आमतौर पर हम आपकी जांच प्राप्त के बाद 8 घंटे के भीतर उद्धृत करत...
हॉट टैग: टी हाइड्रोलिक एडाप्टर, चीन टी हाइड्रोलिक एडाप्टर निर्माता, फैक्ट्री
